
Profile:The Anti-cavitation safety pressure relief valve is made up of one piston main valve and a diaphragm pilot valve. By adjusting the compression length of spring in the pilot valve, which can determine accurately the setup of main valve relief pressure, the control pressure of main valve would not surpass its set point so that the piping system could keep in safe operation.
Application:The valve is widely applied to the pipelines in fire protection, water supply and drainage, and petrochemical as well as power plant industry, preventing the pipelines from damage owing to abrupt pressure rise beyond the set safety point.

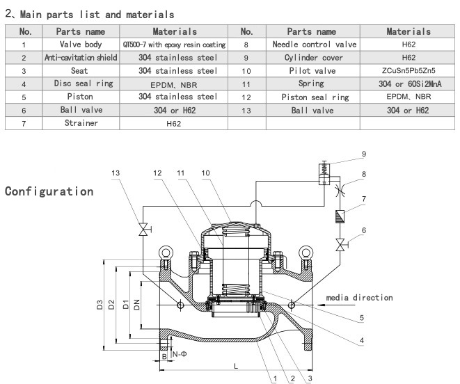
The way that water flows through the pressure reducing valve from upside to underside can avoid the cavitation occurring at the seal space between the seat and the seal ring of disc when water flows in high speed, thereby preventing the seal space from damaging.
An anti-cavitation shield has been set up below the valve seat. Through oval slots on the anti-cavitation shield, the pressure reducing valve could make pressure reduce possible. Even the cavitation happens at the time when the pressure reducing valve works under a low flow state, it only occurs inside the anti-cavitation shield, thus preventing the valve seat from damaging.
The cavitation shield is made of stainless steel with high strength of extension and anti-cavitation abilities. With enough anti-cavitation metal allowance preserved, the service life of pressure reducing valve could be well ensured.
The valve has a unique design structure. Compared with the traditional pressure relief valves, it has large flow relief capacity, anti-cavitation ability, small noise, and reliable performance, as well as long service life characteristics.





